欢迎进入江苏贝尔阀门控制有限公司官网网站 今天是
联系我们 |
手机官网 |
英文版
全国咨询热线:
0514-87227666
网站首页
公司简介
新闻资讯
产品展示
客户案例
下载中心
人才招聘
联系我们
关键词:
多回转阀门电动装置
部分回转阀门电动装置
防爆矿用阀门电动装置
精小型电动执行器
产品展示
多回转系列阀门电动装置
多回转普通型阀门电动装置
多回转智能型阀门电动装置
部分回转阀门电动装置
部分回转普通型阀门电动装置
部分回转防爆型阀门电动装置
部分回转智能型阀门电动装置
精小型电动执行器
精小型开关型电动执行器
精小型调节型电动执行器
精小型防爆型电动执行器
矿用产品系列
ZB系列矿用产品
QMB矿用产品系列
矿用电动阀门系列
风光互补物联网产品
电动蝶阀
电动阀门
电动闸阀
电动蝶阀
电动球阀
电动调节阀
电动截止阀
其他产品系列
DKJ角行程电动执行机构
C/381系列电动执行器
DKZ直行程电动执行机构
PS系列电动执行机构
阀门电动装置
电动阀门控制箱
DKX-ZC抽屉式控制箱
DKX-ZG挂壁式控制箱
DKX-ZBG防爆型控制箱
矿用隔爆型控制箱
其它类阀门
手动阀门
电磁阀
止回阀
隔膜阀
气动阀门
电动装置配件
智能模块
中转齿轮
力矩机构
行程开关
计数器
YDF电机
罗托克机型电动执行器
多回转罗托克电动执行器
部分回转罗托克电动执行器
直行程罗托克电动执行器
角行程罗托克电动执行器
ZBK30 660V矿用防爆型瓦斯专用阀门电动执行器
发布时间:
2023-11-21 14:44:36
0514-87227666
0514-85862666
产品详情
产品尺寸
产品图片
产品展示
一、
ZBK
30 660V矿用防爆型瓦斯专用阀门电动执行器
简单介绍
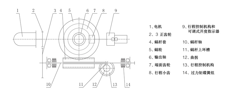
ZB矿用系列隔爆型多回转阀门电动装置,很简单地与阀门装配起来配套自动控制使用,适用于控制阀门的开启.关闭.现场控制或远程开关控制.调节控制.总线控制等,是阀门.风门集控和自动控制必不可少的驱动装置。 该产品具有功能全面.控制系统先进.性能可靠.控制系统先进使用维护方便.体积小等优良特点,在煤矿.化工.石油石化.电力.钢铁.冶金.水处理.造纸等行业中得到广泛好评和应用。可适用于闸阀.截止阀.节流阀.隔膜阀.水闸门或蜗轮蝶阀.蜗轮球阀.蜗轮风门等阀门配套使用。
二、
ZBK
30 660V矿用防爆型瓦斯专用阀门电动执行器
分类
ZB系列系列阀门电动装置按控制方式分为:矿用开关隔爆型.矿用一体化隔爆型.矿用兼本安一体化隔爆型.矿用总线隔爆型等。按连接方式,分为:转矩型和推力型。
隔爆型产品有
dⅠ和dⅡBT4两种,dⅠ适用于煤矿非采掘工作面;dⅡBT4用于工厂,适用于环境为ⅡA.ⅡB级T1~T4组的爆炸性气体混合物。(详见GB3836. 1).采用隔爆外壳,把可能因火花,电弧的电路部分与壳体外爆炸性气体混合物隔开,从而达到隔爆的。
本产品若为
Ⅰ类隔爆,则性能符合GB3836. 1-2010《爆炸性环境第1部分:设备通用要求》.GB 3836.2-2010《爆炸性环境第2部 分: 由隔爆外壳“d”保护的设备》的有关规定。电气性能方面遵守JB/T8529- 1997《隔爆型阀门电动装置技术条件》和 GB/T 24922-2010《隔爆型阀门电动装置技术条件》,并经国家防爆电气产品质量监督检验测试中心检定,取得了全系 列的防爆合格证,可广泛应用于煤矿井 上.井下的管道阀控系统中。
三、
ZBK
30 660V矿用防爆型瓦斯专用阀门电动执行器
使用环境
1. 额定电压:三相 AC380V.AC660(特殊订货:单相 AC220V / AC127V / AC110V)
2. 环境温度: -20℃~+60℃
3. 隔爆等级:危险环境 ExdIMb.ExdIIBT4
4. 额定频率:50Hz (特殊订制60Hz)
5. 平均相对湿度:不大于95%RH(+25℃)
6. 大气压力:80kPa~106kPa
7. 防护等级:IP55 .IP65.IP67
8. 控制电压:小于 AC 220V / DC 60V
9. 工作时间:短时10分钟(特殊订货15-60分)
10. 现场环境: 无破坏或腐蚀性气体的地方
11. 振动要求:无强烈震动和冲击的地方
四、
ZBK
30 660V矿用防爆型瓦斯专用阀门电动执行器
安装与拆卸
1. 此电动装置的安装形式无原则要求(严禁倒立),但电机处于水平状态, 电气箱盖处于水平或垂直向上状态为推荐安装形式, 这样有利于润滑.调试.维护和手动操作;
2. 安装时应保证维修检查人员拆卸各部件所需的空间;
3. 安装阀门连接的牙嵌轴向间隙不少于1~2mm;
4. 当用于明杆阀门时,应检查阀杆伸出量与阀杆护套的长度是否相符;
5. 当需要拆卸时,应先将手动手轮旋转数圈,在阀门稍开状态下进行。
6. 安装前应检查铭牌的技术参数与安装环境是否相符合。
7. 打开接线盒,拧开电缆引入装置的螺母,将电缆线与接线盒中接线端子牢固相连接,盖上接线盒并拧紧螺丝;
8. 打开接线盒,用扳手拧开电缆引入装置的压紧螺母,将电缆线与接线盒中接线端子牢固相连接,确认无误后盖上接线盒上盖,并拧紧紧固螺丝端子接线应牢靠,应按图13所示的方法,用弯头夹住电线。接线 盒有4个引入装置,1个引入电机动力电缆,三个引入控制电缆,使用的动力线电缆必须有地线,并与接线盘 上的接地端子相接。引入电缆直径规格见表4。接好线后应装好压紧密封圈,密封圈的邵氏硬度应为45~55 度,损伤及老化的应及时更换。
在线留言订购
订购产品
您的姓名
您的电话
您的邮件
立即提交订购 >
在线咨询 >
相关产品
MORE >
暂无信息
网站首页
公司简介
新闻资讯
产品展示
客户案例
下载中心
人才招聘
友情链接:
电动阀门
电动调节阀
电动球阀
电动蝶阀
注塑机冷却塔
自动化供料机
扫一扫
关注我们
地址:江苏省扬州市邗江区维扬经济开发区创业园中路9号
手机:0514-87227666
电话:0514-87227666
友情链接
电动阀门
电动调节阀
电动球阀
电动蝶阀
注塑机冷却塔
自动化供料机
江苏贝尔阀门控制有限公司
版权所有
苏ICP备19024149号-1